Login
Register
PIT
Pittsburgh International Airport
Official FAA Data Effective 2026-04-16 0901Z
VFR Chart of KPIT
Sectional Charts at SkyVector.com
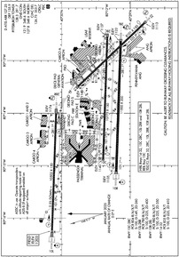
IFR Chart of KPIT
Enroute Charts at SkyVector.com
Location Information for KPIT
Coordinates: N40°29.49' / W80°13.96'Located 12 miles NW of Pittsburgh, Pennsylvania on 10000 acres of land. View all Airports in Pennsylvania.
Surveyed Elevation is 1202 feet MSL.
Operations Data
|
|
Airport Communications
| D-ATIS: | 127.25 ;ARR 135.9 ;DEP |
|---|---|
| ASOS: | Tel. 215-798-0218 |
| PITTSBURGH TOWER: | 128.3 291.7 |
| PITTSBURGH GROUND: | 121.9 ;SOUTH 127.8 ;NORTH 348.6 |
| PITTSBURGH APPROACH: | 121.25 ;271-360 123.95 ;091-180 124.15 ;001-090 133.7 ;181-270 279.625 ;270-089 336.2 360.8 ;090-269 |
| PITTSBURGH DEPARTURE: | 119.35 ;SOUTH 124.75 ;NORTH 125.275 285.575 ;090-269 336.2 338.2 ;NORTH |
| IC: | 123.95 ;091-180 |
| CLEARANCE DELIVERY: | 126.75 353.7 |
| UNICOM: | 122.950 |
| OPS: | 36.35FM |
| PRE TAXI CLNC: | 126.75 |
| COMD POST: | 252.1 |
| EMERG: | 121.5 243.0 |
| ANG OPS: | 311.0 |
| CLASS B: | 121.25 ;271-360 123.95 ;091-180 124.15 ;001-090 133.7 ;181-270 279.625 ;270-089 360.8 ;090-269 |
| AWOS-A at 42PN (10.6 E): | 412-442-2213 |
| ASOS at AGC (16.1 SE): | 120.55 412-466-8968 |
| ATIS at AGC (16.1 SE): | 120.55 |
- CALL IRON CITY COMMAND POST PRIOR TO ENTRY SOUTH RAMP.
- ASSC IN USE. OPERATE TRANSPONDERS WITH ALTITUDE REPORTING MODE AND ADS-B (IF EQUIPPED) ENABLED ON ALL AIRPORT SURFACES.
Nearby Navigation Aids
|
| ||||||||||||||||||||||||||||||||||||||||||||||||||||||||||||
Runway 10R/28L
| Dimensions: | 11500 x 200 feet / 3505 x 61 meters | |
|---|---|---|
| Surface: | Concrete / Grooved in Good Condition | |
| Weight Limits: | S-100, D-225, ST-350
PCR VALUE: 980/R/A/W/T
| |
| Edge Lighting: | High Intensity | |
| Runway 10R | Runway 28L | |
| Coordinates: | N40°29.20' / W80°15.11' | N40°29.14' / W80°12.64' |
| Elevation: | 1134.8 | 1121.9 |
| Traffic Pattern: | Left | |
| Runway Heading: | 92° True | 272° True |
| Declared Distances: | TORA:11500 TODA:11500 ASDA:11492 LDA:11492 | TORA:11500 TODA:11500 ASDA:11500 LDA:11500 |
| Markings: | Precision Instrument in good condition. | Precision Instrument in good condition. |
| Glide Slope Indicator | P4L (3.00° Glide Path Angle) | P4L (3.00° Glide Path Angle) |
| RVR Equipment | Touchdown Midfield Rollout | Touchdown Midfield Rollout |
| Approach Lights: | ALSF2 Standard 2,400 Foot High-intensity Approach Lighting System with sequenced flashers, CATEGORY II or III Configuration. | MALSR 1,400 Foot Medium-intensity Approach Lighting System with runway alignment indicator lights. |
| Centerline Lights: | Yes | Yes |
| Obstacles: | 92 ft Trees 3890 ft from runway, 930 ft left of center | 154 ft Trees 4954 ft from runway, 348 ft left of center |
Runway 10C/28C
| Dimensions: | 10775 x 150 feet / 3284 x 46 meters | |
|---|---|---|
| Surface: | Asphalt-Concrete / Grooved in Fair Condition | |
| Weight Limits: | S-100, D-149, ST-260
PCR VALUE: 804/R/A/W/T
| |
| Edge Lighting: | High Intensity | |
| Runway 10C | Runway 28C | |
| Coordinates: | N40°29.39' / W80°14.88' | N40°29.33' / W80°12.55' |
| Elevation: | 1140.2 | 1136.6 |
| Runway Heading: | 92° True | 272° True |
| Displaced Threshold: | 465 Feet | 602 Feet |
| Declared Distances: | TORA:10775 TODA:10775 ASDA:10173 LDA:9708 | TORA:10775 TODA:10775 ASDA:10310 LDA:9708 |
| Markings: | Precision Instrument in good condition. | Precision Instrument in good condition. |
| Glide Slope Indicator | P4L (3.00° Glide Path Angle) | P4L (3.00° Glide Path Angle) |
| RVR Equipment | Touchdown Midfield Rollout | Touchdown Midfield Rollout |
| REIL: | Yes | |
| Centerline Lights: | Yes | Yes |
| Obstacles: | 58 ft Trees 2100 ft from runway, 402 ft right of center | |
Runway 10L/28R
| Dimensions: | 10502 x 150 feet / 3201 x 46 meters | |
|---|---|---|
| Surface: | Asphalt-Concrete / Grooved in Good Condition | |
| Weight Limits: | S-100, D-225, ST-400
PCR VALUE: 980/R/A/W/T
| |
| Edge Lighting: | High Intensity | |
| Runway 10L | Runway 28R | |
| Coordinates: | N40°30.14' / W80°16.27' | N40°30.08' / W80°14.01' |
| Elevation: | 1202.9 | 1174.1 |
| Traffic Pattern: | Left | Left |
| Runway Heading: | 92° True | 272° True |
| Declared Distances: | TORA:10502 TODA:10502 ASDA:10502 LDA:10502 | TORA:10502 TODA:10502 ASDA:10102 LDA:10102 |
| Markings: | Precision Instrument in good condition. | Precision Instrument in good condition. |
| Glide Slope Indicator | P4L (3.00° Glide Path Angle) | P4L (3.00° Glide Path Angle) |
| RVR Equipment | Touchdown Midfield Rollout | Touchdown Midfield Rollout |
| Approach Lights: | ALSF2 Standard 2,400 Foot High-intensity Approach Lighting System with sequenced flashers, CATEGORY II or III Configuration. ALSF2/SSALR IS A DUAL MODE SYSTEM & CONTROLLED BY ATCT & REMOTE MONITORED. | MALSR 1,400 Foot Medium-intensity Approach Lighting System with runway alignment indicator lights. |
| Centerline Lights: | Yes | Yes |
| Obstacles: | 107 ft Antenna 4165 ft from runway, 909 ft right of center | |
Runway 14/32
| Dimensions: | 8101 x 150 feet / 2469 x 46 meters | |
|---|---|---|
| Surface: | Concrete / Grooved in Good Condition | |
| Weight Limits: | S-100, D-225, ST-410
PCR VALUE: 835/R/A/W/T
| |
| Edge Lighting: | High Intensity | |
| Runway 14 | Runway 32 | |
| Coordinates: | N40°29.76' / W80°13.49' | N40°28.79' / W80°12.29' |
| Elevation: | 1147.6 | 1113.4 |
| Traffic Pattern: | Left | Left |
| Runway Heading: | 136° True | 316° True |
| Displaced Threshold: | 335 Feet | |
| Declared Distances: | TORA:8101 TODA:8101 ASDA:7366 LDA:7366 | TORA:8101 TODA:8101 ASDA:7801 LDA:7466 |
| Markings: | Precision Instrument in good condition. | Precision Instrument in good condition. |
| Glide Slope Indicator | P4L (3.00° Glide Path Angle) | P4L (3.00° Glide Path Angle) |
| RVR Equipment | Touchdown Midfield Rollout | Touchdown Midfield Rollout |
| Approach Lights: | MALS 1,400 Foot Medium-intensity Approach Lighting System. | |
| Centerline Lights: | Yes | Yes |
| Obstacles: | 24 ft Pole 451 ft from runway, 510 ft left of center | 42 ft Trees 1653 ft from runway, 679 ft left of center |
Services Available
| Fuel: | 100LL (blue), Jet-A |
|---|---|
| Transient Storage: | Hangars,Tiedowns |
| Airframe Repair: | MINOR |
| Engine Repair: | MINOR |
| Bottled Oxygen: | NONE |
| Bulk Oxygen: | NONE |
| Other Services: | AIR FREIGHT SERVICES,CARGO HANDLING SERVICES JASU (MD-3A)(MD-3M)(MA-1A)(M32A-60)(M32A-60A)(MXU-4A). |
Ownership Information
| Ownership: | Publicly owned | |
|---|---|---|
| Owner: | ALLEGHENY CO ARPT AUTHORITY | |
| PO BOX 12370, SUITE. 4000 | ||
| PITTSBURGH, PA 15231-0370 | ||
| 412-472-3500 | ||
| Manager: | CHRISTINA A. CASSOTIS | |
| PO BOX 12370, SUITE 4000 | ||
| PITTSBURGH, PA 15231-0370 | ||
| (412) 472-3509 | ||
Other Remarks
- DEER & BIRDS ON & INVOF ARPT.
- ATCT IS AUTHORIZED TO HAVE ACFT LINE-UP & WAIT ON RYS 28L AT TWY 'P' DURG HRS OF DARKNESS. THE SPECIFIC RY SHALL BE USED ONLY FOR DEPARTURES & THE INTXN MUST BE VSB FM ATCT.
- SERVICE-JASU: (ANG) (A/M32A-86) (AM 32-95; (AFRC - 2(A/M32-86 (AM32-95).
- SERVICE-FLUID: LPOX LHNIT.
- SERVICE-OIL: O-156.
- SERVICE-TRAN ALERT: NO PRIORITY BASIS.
- ANG: OPR 1130-2030Z++MON-FRI EXCP HOL. (CLSD EV OTH MON). NSTD PAVEMENT MARKINGS ON ANG RAMP. NO TRAN DE-ICE CAPABILITY ON ANG RAMP.
- TWY G INTXN AT RY 10L/28R RIGHT TURN NA.
- FUEL: A++ PROVIDED BY ANG AND AFRC.(MIL).
- ACFT USING TWY 'N' PROHIBITED TO STOP ON OVERPASS AREA DUE TO POSSIBLE EMERGENCY EVACUATION HAZARD.
- PPR/OFFL BUS MIN 48 HR CTC AFLD MGMT DSN 277 8163, C412 474 8163. LTD TRAN SVC. AFLD MGT NML DUTY HRS 1300 0100++ MON, WED, FRI, 1300-0500++ TUE, THU, EXC HOL. UNIT TRAINING ASSEMBLY 1300 2100Z++SAT. TRAN ACFT MUST HAVE APPVL OF 911OG/CC FOR PPR DUR OFF DUTY HR. NO SVC AVBL FOR SPACE AVBL PAX DUR OFF DUTY HR. CALL PITT COMD POST (IRON CITY) BY RDO 15 MIN PRIOR TO ARRIVAL. ALFD MGMT DOES NOT ISSUE OR STOR COMSEC. COMSEC STOR CTC COMD POST DSN 277 8146.
- TWY AA NO TURN-OFF ONTO TWY A FOR ACFT WINGSPAN 171 FT OR GREATER EXC PPR (412) 472-5630.
- MILITARY: CAUTION: BASH PHASE II OPS IN EFFECT 1 JUL - 30 SEP ANNUALLY. UNLESS MSN REQUIREMENTS DIRECT OTHERWISE, FLIGHTS SHOULD NOT BE SKED WITHIN +/-1HR OF SS/SR. TRAN AIRCREW SHOULD REQ BIRD WATCH COND FR AFRC (PITT OPS) ON 252.1 OR ANG OPS (STEEL CTL) ON 311.0. AIRCREW WILL BE INFORMED BY STEEL CONTROL OR PITT OPS (AS APPLICABLE) IF CURRENT BWC IS OTHER THAN LOW REGARDLESS OF BASH PHASE.
- TRML APN UNCONTROLLED. PUSHBACK PILOT DESCRETION. DO NOT EXIT TRML APN AT TWY C1, C4, V3, V4, D1, W. CTC GC WHEN HLDG AT TWY C2, C3, V1, V2, V5, V6, D2, D3.
- LDG FEE.
- PUSHBACK CLNC REQUIRED FR GATES A100 AND A101 AT CARGO A. CTC GC. PUSHBACK FM THESE GATES ENTERS TWY N.
- TWY Z BTN TWY P AND HANGAR 7 APRON RSTRD TO ACFT WINGSPAN 118 FT OR LESS.
- ANG ACFT MUST CTC TANKER 303.0/FTR OPNS 293.7 BEFORE CROSSING RWY 28L TO OBTAIN CLNC TO ENTER.
- TERML TAXILANES E OF CONCOURSES A & B RESTRD TO GROUP 3 ACFT & SMALLER.
- 0LL LOX SOAP (AVBL DURG ANG DUTY HOURS ONLY. 30 MIN PRIOR NOTICE RQRD.).
Weather Minimums
Standard Terminal Arrival (STAR) Charts
Instrument Approach Procedure (IAP) Charts
- ILS OR LOC RWY 10L

- ILS OR LOC RWY 10R

- ILS OR LOC RWY 28L

- ILS OR LOC RWY 28R

- ILS OR LOC RWY 32

- ILS RWY 10R (SA CAT I)

- ILS RWY 28R (SA CAT I - II)

- ILS RWY 10L (CAT II - III)

- ILS RWY 10R (CAT II - III)

- RNAV (RNP) Z RWY 10C

- RNAV (RNP) Z RWY 10R

- RNAV (RNP) Z RWY 28C

- RNAV (RNP) Z RWY 28L

- RNAV (RNP) Z RWY 28R

- RNAV (RNP) Z RWY 32

- RNAV (GPS) RWY 10L

- RNAV (GPS) RWY 14

- RNAV (GPS) Y RWY 10C

- RNAV (GPS) Y RWY 10R

- RNAV (GPS) Y RWY 28C

- RNAV (GPS) Y RWY 28L

- RNAV (GPS) Y RWY 28R

- RNAV (GPS) Y RWY 32

Departure Procedure (DP) Charts
Nearby Airports with Instrument Procedures
| ID | Name | Heading / Distance | ||
|---|---|---|---|---|
![]() |
KAGC | Allegheny County Airport | 120° | 16.2 |
![]() |
G05 | Finleyville Airpark Airport | 145° | 17.9 |
![]() |
KBVI | Beaver County Airport | 336° | 18.3 |
![]() |
KPJC | Zelienople Municipal Airport | 009° | 18.9 |
![]() |
KBTP | Pittsburgh/Butler Regional Airport | 036° | 21.4 |
![]() |
KAFJ | Washington County Airport | 187° | 21.4 |
![]() |
02G | Columbiana County Airport | 300° | 21.6 |
![]() |
2G2 | Geary A Bates/Jefferson County Airpark Airport | 250° | 22.9 |
![]() |
KFWQ | Rostraver Airport | 132° | 25.0 |
![]() |
KHLG | Wheeling Ohio County Airport | 225° | 26.8 |
![]() |
6P7 | Mcville Airport | 063° | 32.6 |
![]() |
KUCP | New Castle Municipal Airport | 345° | 33.1 |






